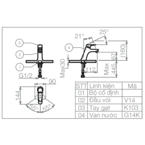
Thông tin cơ bản vòi chậu rửa mặt Viglacera VG103 lạnh
- Vòi lavabo lạnh VG103 dành cho chậu 1 lỗ (FC) đến từ thương hiệu thiết bị vệ sinh Viglacera
- Vật liệu: Đồng mạ Ni-Cr hoặc Sơn tĩnh điện
- Hãng sản xuất: Viglacera
- Sản xuất tại Việt Nam
- Áp lực nước: 0.05MPa ~ 0.75MPa
- Sản phẩm không bao gồm trụ xả, thải chữ P
Tính năng vòi lavabo Viglacera VG 103
- Vòi chậu 1 đường lạnh
- Được đúc từ Đồng nhập khẩu nguyên chất 100%.
- Được bảo vệ bởi 1 lớp đồng đỏ, 2 lớp Niken, 1 lớp Crom với tổng độ dày lên tới 22µm.
- Đầu vòi được nhập khẩu từ hãng Neoperl – CHLB Đức với chất liệu nhựa cao cấp chịu được nhiệt độ lên đến 140 độ C trong thời gian dài.
- Kết cấu dạng tổ ong giúp ổn định lưu lượng, tạo ra dòng nước êm, giảm tiếng ồn, tạo bọt, tiết kiệm nước.

Nắp Điện Tử INAX CW-KB22AVN (CWKB22AVN) Shower Toilet
Nắp Êm Bồn Cầu INAX CF-602VS (AC-902VN, AC-912VN, AC-602VN)
Nắp Êm Bồn Cầu TOTO TC385VS (T3 CS300 CS320 CS325 CS735 CS945 CS818) TOTO 





đánh giá nào
Chưa có đánh giá nào.